| Item No. |
Part Number |
Name | Kit/Assys | Replaced Parts | Notes | Qty | Price |
Buy |
|
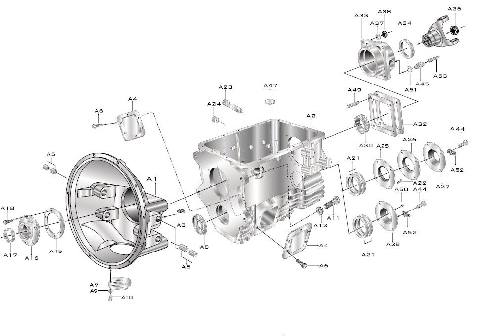
| A1 |
FUL A-5205
|
Clutch Hsg Assy
| | 21646 | #2 ALUMINUM, BELOW CENTER LINE PUSH TYPE | 1 | Log in to see prices |
|
|
| A1 |
FUL A-5631
|
Clutch Hsg Assy
| | 23723 | #2 PULL-IRON, W/90 DEG FITTINGS | 1 | Log in to see prices |
|
|
| A1 |
FUL A-5634
|
Clutch Hsg Assy
| | 23726 ,3316236 ,3316237 ,A - 5632 ,A - 5771 | #2 ALUMINUM, ABOVE CENTER LINE PULL TYPE | 1 | Log in to see prices |
|
|
| A1 |
FUL A-5751
|
Clutch Hsg Assy
| | 4300418 | #2 ALUMINUM, BELOW CENTER LINE PUSH TYPE | 1 | Log in to see prices |
|
|
| A1 |
FUL A-5878
|
Clutch Hsg Assy
| | 4300744 | #2 PULL-ALUMINUM | 1 | Log in to see prices |
|
|
| A1 |
FUL A-6228
|
Clutch Hsg Assy
| | 23723 | #2 PULL-IRON, W/45 DEG FITTINGS | 1 | Log in to see prices |
|
|
| A1 |
FUL A-7514
|
Clutch Hsg Assy
| | 3316241 | #2 ALUMINUM, PUSH TYPE (FORK) | 1 | Log in to see prices |
|
|
| A2 |
FUL S-2952
|
Case Assy
| | 3316276 ,4301285 ,4304643 ,4305177 | | 1 | Log in to see prices |
|
|
| A3 |
FUL 4300301
|
Fitting-45 Degree
| | 11H15 | | 2 | Log in to see prices |
|
|
| A3 |
FUL 4872
|
Fitting-90 Degree
| | 12H15 | | 2 | Log in to see prices |
|
|
| A4 |
FUL 201398
|
Pto Cover
| | | | 2 | Log in to see prices |
|
|
| A5 |
12815QG
|
Bushing
| A-5631, A-5634, A5751, A-5878, A-6228 | | | 4 | Log in to see prices |
|
|
| A5 |
FUL 8677
|
Bushing
| A-5205 | | USE W/A-5205 CLUTCH HSG ASSY | 2 | Log in to see prices |
|
|
| A6 |
FUL 239613
|
Capscrew
| | | 3/8"-16X5/8" | 12 | Log in to see prices |
|
|
| A7 |
FUL 23380
|
Cover
| A-5205, A-5631, A5634, A-5751, A5878, A-7514 | 206466 | | 1 | Log in to see prices |
|
|
| A8 |
FUL 3315679
|
Plug
| K-2041 | | | 1 | Log in to see prices |
|
|
| A9 |
FUL X-3-400
|
Lockwasher
| | 4E04 | 1/4" | 2 | Log in to see prices |
|
|
| A10 |
FUL 1C408
|
Capscrew
| | | 1/4"-20 | 2 | Log in to see prices |
|
|
| A11 |
FUL X-8-1011
|
Capscrew
| | 1C1036 | 5/8"-11X2-1/4" | 4 | Log in to see prices |
|
|
| A12 |
FUL X-3-1000
|
Lockwasher
| | | 5/8" | 4 | Log in to see prices |
|
|
| A15 |
FUL 3315659
|
Gasket
| K-2022, K-2181 | | | 1 | Log in to see prices |
|
|
| A16 |
FUL 21893
|
Front Brg Cover-Push
| | | USE 4300798 OIL SEAL | 1 | Log in to see prices |
|
|
| A16 |
FUL 21982
|
Front Brg Cover-Push
| | | USE 4300798 OIL SEAL | 1 | Log in to see prices |
|
|
| A16 |
FUL 21992
|
Front Brg Cover-Push
| | | USE 19110 OIL SEAL | 1 | Log in to see prices |
|
|
| A16 |
FUL 3316171
|
Front Brg Cover-Pull
| | | USE 4300121 OIL SEAL | 1 | Log in to see prices |
|
|
| A16 |
FUL 3316313
|
Front Brg Cover-Push
| | | USE 4300798 OIL SEAL | 1 | Log in to see prices |
|
|
| A16 |
FUL 4300887
|
Front Brg Cover-Push
| | | USE 4300204 OIL SEAL | 1 | Log in to see prices |
|
|
| A16 |
FUL 4300888
|
Front Brg Cover-Pull
| K-2022 | | USE 4300121 OIL SEAL | 1 | Log in to see prices |
|
|
| A16 |
FUL 4301144
|
Front Brg Cover-Pull
| | | USE 4300121 OIL SEAL | 1 | Log in to see prices |
|
|
| A17 |
FUL 19110
|
Oil Seal
| | 18386 | SHAFT 1.875, WIDTH .188 | 1 | Log in to see prices |
|
|
| A17 |
FUL 4300121
|
Oil Seal
| K-2022, K-2041 | 3315623 | SHAFT 1.873, WIDTH .375, OD 2.68 | 1 | Log in to see prices |
|
|
| A17 |
FUL 4300204
|
Oil Seal
| | 235394 | SHAFT 1.873, WIDTH .375 | 1 | Log in to see prices |
|
|
| A17 |
FUL 4300798
|
Oil Seal
| | 235393 | SHAFT 1.625, WIDTH .375 | 1 | Log in to see prices |
|
|
| A18 |
FUL 239614
|
Screw
| | | 5/16-18X.81 | 6 | Log in to see prices |
|
|
| A21 |
FUL 3315681
|
Shim .004
| K-2183 | | QUANTITY AS REQUIRED | 1 | Log in to see prices |
|
|
| A21 |
FUL 3315682
|
Shim .007
| K-2183 | | QUANTITY AS REQUIRED | 1 | Log in to see prices |
|
|
| A21 |
FUL 3315683
|
Shim .010
| K-2183 | | QUANTITY AS REQUIRED | 1 | Log in to see prices |
|
|
| A21 |
FUL 3315684
|
Shim .020
| K-2183 | | QUANTITY AS REQUIRED | 1 | Log in to see prices |
|
|
| A21 |
FUL 4300977
|
Shim .040
| | | | 1 | Log in to see prices |
|
|
| A22 |
FUL 9G416H
|
Screw
| | | 1/4"-20X1" | 2 | Log in to see prices |
|
|
| A23 |
FUL X-12-1207
|
Pipe Plug
| | X12 1202 X12 1206 | 3/4" MAGNETIC | 1 | Log in to see prices |
|
|
| A24 |
FUL X-12-1210
|
Pipe Plug
| | X12 1206 | | 1 | Log in to see prices |
|
|
| A25 |
FUL 4301607
|
C/S4 Rear Brg Cover
| | K-3430 | | 1 | Log in to see prices |
|
|
| A26 |
FUL 3315671
|
Gasket
| K-2181 | | | 1 | Log in to see prices |
|
|
| A27 |
FUL 4301607
|
C/S Rear Brg Cover
| | K-3430 | | 1 | Log in to see prices |
|
|
| A28 |
FUL 4301607
|
C/S Rear Brg Cover
| | | | 1 | Log in to see prices |
|
|
| A30 |
FUL 3316160
|
Speedo Rotor
| | | 16 TEETH | 1 | Log in to see prices |
|
|
| A30 |
FUL 3316283
|
Speedo Drive Gear
| K-2306 | | 6 TEETH | 1 | Log in to see prices |
|
|
| A30 |
FUL 4300003
|
Speedo Rotor
| | | 6 TEETH | 1 | Log in to see prices |
|
|
| A30 |
FUL 86302
|
Speedo Drive Gear
| | | 5 TEETH | 1 | Log in to see prices |
|
|
| A30 |
FUL 86310
|
No Longer Available
| | | 6 TEETH | 1 | Log in to see prices |
|
|
| A30 |
FUL 86313
|
No Longer Available
| | | 6 TEETH | 1 | Log in to see prices |
|
|
| A31 |
FUL 711123
|
Bearing Cup
| K-2041 | | | 1 | Log in to see prices |
|
|
| A32 |
FUL 3315663
|
Shim .007
| K-2183 | | QUANTITY AS REQUIRED | 1 | Log in to see prices |
|
|
| A32 |
FUL 3315662
|
Shim .004
| K-2183 | | QUANTITY AS REQUIRED | 1 | Log in to see prices |
|
|
| A32 |
FUL 3315664
|
Shim .010
| K-2183 | | QUANTITY AS REQUIRED | 1 | Log in to see prices |
|
|
| A32 |
FUL 3315665
|
Shim .020
| K-2183 | | QUANTITY AS REQUIRED | 1 | Log in to see prices |
|
|
| A32 |
FUL 4300978
|
Shim .040
| | | | 1 | Log in to see prices |
|
|
| A33 |
FUL 21901
|
No Longer Available
| | | USE 4300119 OIL SEAL | 1 | Log in to see prices |
|
|
| A33 |
FUL 21947
|
Rear Brg Cover
| | | USE 4300119 OIL SEAL | 1 | Log in to see prices |
|
|
| A33 |
FUL 22020
|
Rear Brg Cover
| | | USE 4300119 OIL SEAL | 1 | Log in to see prices |
|
|
| A33 |
FUL 3316278
|
Rear Brg Cover
| | | USE 4300119 OIL SEAL | 1 | Log in to see prices |
|
|
| A33 |
FUL S-7035
|
Rear Brg Cover Assy
| | 23248 ,4301987 | USE 4300119 OIL SEAL NOTE: SENSOR SEAL REQUIRED | 1 | Log in to see prices |
|
|
| A33 |
FUL S-7036
|
Rear Brg Cover Assy
| | 21979 ,4302005 | USE 4300119 OIL SEAL NOTE: SENSOR SEAL REQUIRED | 1 | Log in to see prices |
|
|
|
FUL S-7037
|
Rear Brg Cover Assy
| | 3315657, 4302029 | USE 4300119 OIL SEAL NOTE: SENSOR SEAL REQUIRED | 1 | Log in to see prices |
|
|
| A33 |
FUL S-7038
|
Rear Brg Cover Assy
| | 4300746 ,4302100 | USE 4300119 OIL SEAL NOTE: SENSOR SEAL REQUIRED | 1 | Log in to see prices |
|
|
| A34 |
FUL 4300119
|
Oil Seal
| K-2041 | | SHAFT 2.753, WIDTH .5 | 1 | Log in to see prices |
|
|
| A36 |
FUL 21937
|
Nut
| | 216053 ,235656 ,238026 | 1-1/4"-18 | 1 | Log in to see prices |
|
|
| A37 |
FUL 239436
|
Washer
| | | 1/2" | 4 | Log in to see prices |
|
|
| A38 |
FUL 86D8
|
Nut
| | 86D08 | 1/2"-20 | 4 | Log in to see prices |
|
|
| A44 |
FUL X-8C-604
|
Capscrew
| | | 3/8"-16X1-1/4" | 4 | Log in to see prices |
|
|
| A45 |
FUL 3316225
|
Sleeve
| K-2306 | | | 1 | Log in to see prices |
|
|
| A45 |
FUL 86147
|
Sleeve
| | | | 1 | Log in to see prices |
|
|
| A47 |
FUL 14373
|
Magnet
| S-2952 | | | 1 | Log in to see prices |
|
|
| A49 |
FUL 239433
|
Stud
| | | 1/2"-20X2-5/16" | 4 | Log in to see prices |
|
|
| A51 |
FUL 4301954
|
Sensor Seal
| S-7035, S-7036, S7037, S-7038 | | | 1 | Log in to see prices |
|
|
| A52 |
FUL 238370
|
Lifting Eye
| | | | 1 | Log in to see prices |
|
|
| A53 |
FUL 5501519
|
No Longer Available
| | | 17 TEETH | 1 | Log in to see prices |
|
|
| A53 |
FUL 86303
|
Speedo Driven Gear
| | | 15 TEETH | 1 | Log in to see prices |
|
|
| A53 |
FUL 86309
|
No Longer Available
| | | 12 TEETH | 1 | Log in to see prices |
|
|
 | |